Pontiac Grand Prix не заводится
- alexauto2005
- член клуба АмАвто
- Сообщения: 352
- Зарегистрирован: 08 май 2010, 00:14
- Откуда: Россия,Тула
- Контактная информация:
Pontiac Grand Prix не заводится
Подскажите кто знает.
Проблема такая:
Автомобиль долго стоял,теперь не можем запустить мотор.
Топливо в топливной рейке есть,искра есть.А вот форсунки не открываются.
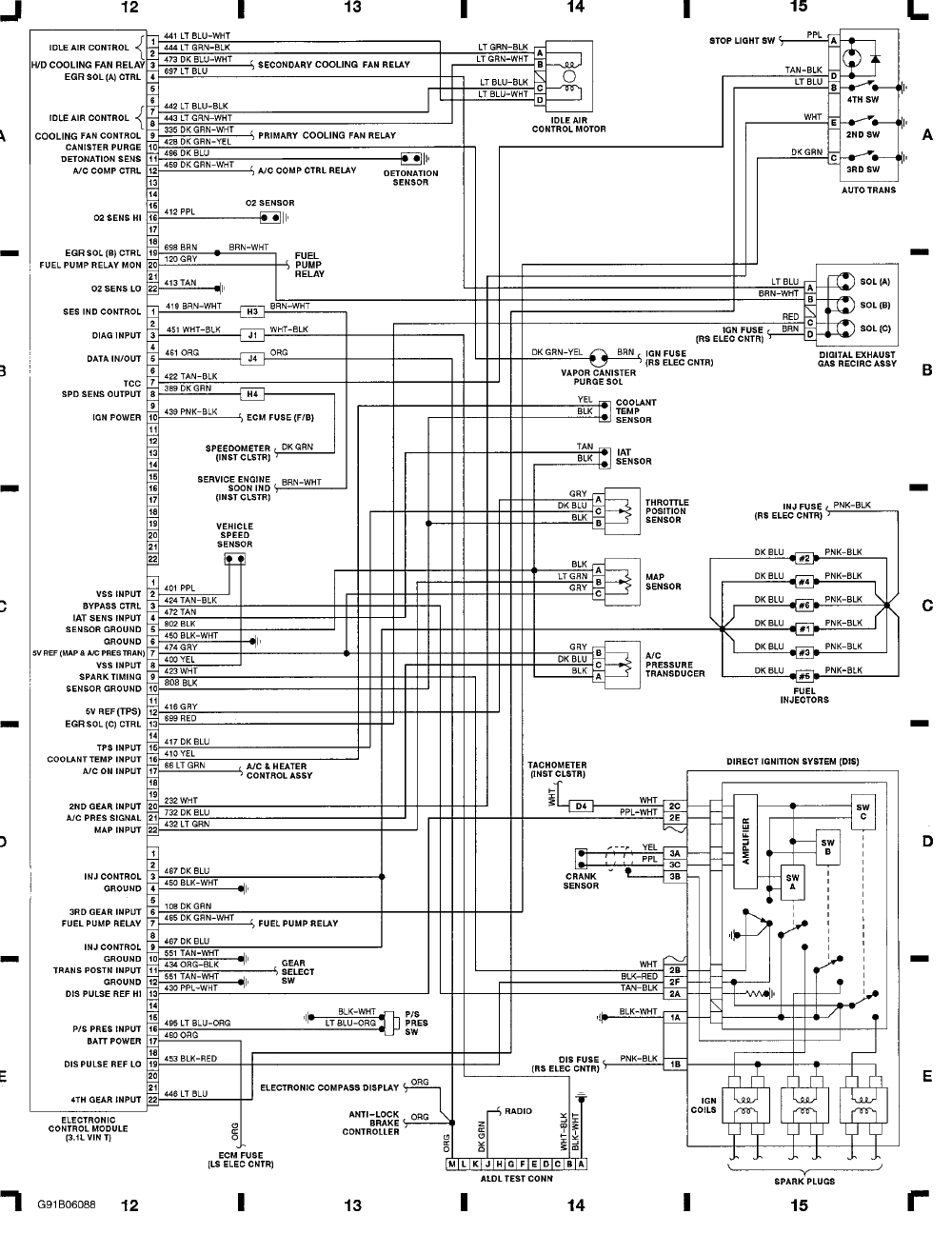
Может есть у кого схема системы управления двигателем,поделитесь пожалуйста.
Автомобиль Pontiac Grand Prix 1991г 3.1L MPFI
Проблема такая:
Автомобиль долго стоял,теперь не можем запустить мотор.
Топливо в топливной рейке есть,искра есть.А вот форсунки не открываются.
Может есть у кого схема системы управления двигателем,поделитесь пожалуйста.
Автомобиль Pontiac Grand Prix 1991г 3.1L MPFI
- Quadra
- Ветеран клуба АмАвто
- Сообщения: 3956
- Зарегистрирован: 22 июн 2008, 12:45
- Откуда: София, Болгария
- Контактная информация:
Re: Pontiac Grand Prix не заводится
Может на них элементарно плюс не идет. У них плюс постоянный, РСМ их на массу подключает чтобы открыть. Проверь есть ли +12V на форсах.
Dodge Durango 5.9 с ГБО "Зеленый тепловоз"


- alexauto2005
- член клуба АмАвто
- Сообщения: 352
- Зарегистрирован: 08 май 2010, 00:14
- Откуда: Россия,Тула
- Контактная информация:
Re: Pontiac Grand Prix не заводится
+12V на них приходит,вот минуса на открывание нет.
Где он потерялся ума не преложу.Хоть бы схема была грамотная,было бы проще.
Где он потерялся ума не преложу.Хоть бы схема была грамотная,было бы проще.
- Quadra
- Ветеран клуба АмАвто
- Сообщения: 3956
- Зарегистрирован: 22 июн 2008, 12:45
- Откуда: София, Болгария
- Контактная информация:
Re: Pontiac Grand Prix не заводится
Может РСМ сдох... короче схема нужна....
Dodge Durango 5.9 с ГБО "Зеленый тепловоз"


- alexauto2005
- член клуба АмАвто
- Сообщения: 352
- Зарегистрирован: 08 май 2010, 00:14
- Откуда: Россия,Тула
- Контактная информация:
Re: Pontiac Grand Prix не заводится
Может кто поделится схемкой на пончика?
- Quadra
- Ветеран клуба АмАвто
- Сообщения: 3956
- Зарегистрирован: 22 июн 2008, 12:45
- Откуда: София, Болгария
- Контактная информация:
Re: Pontiac Grand Prix не заводится
Они все вместе работают? Идиоты мля, я думал только англичане такую тупость сделать могут, ан нет, GM - то тоже разве что паровозы не делал в то время... Нафига многоточечный впрыск если все льют вместе... офигеваю от такого кретинизма...
Dodge Durango 5.9 с ГБО "Зеленый тепловоз"


- Николай Пименов
- Ветеран клуба АмАвто
- Сообщения: 28351
- Зарегистрирован: 20 окт 2007, 23:03
- Откуда: Самара
Re: Pontiac Grand Prix не заводится
Последовательный впрыск появился в следующем поколении блоков управления двигателем. В тот год у Форда тоже все сразу брызгали.
- Quadra
- Ветеран клуба АмАвто
- Сообщения: 3956
- Зарегистрирован: 22 июн 2008, 12:45
- Откуда: София, Болгария
- Контактная информация:
Re: Pontiac Grand Prix не заводится
а толку то какого от этого? ТВІ бы оставили....
Dodge Durango 5.9 с ГБО "Зеленый тепловоз"


- Николай Пименов
- Ветеран клуба АмАвто
- Сообщения: 28351
- Зарегистрирован: 20 окт 2007, 23:03
- Откуда: Самара
Re: Pontiac Grand Prix не заводится
Бензин+воздух смешиваются не во всем объеме впускного коллектора - меньше риск "обратной тяги". Это так, навскидку.
- Quadra
- Ветеран клуба АмАвто
- Сообщения: 3956
- Зарегистрирован: 22 июн 2008, 12:45
- Откуда: София, Болгария
- Контактная информация:
Re: Pontiac Grand Prix не заводится
Да, для самолета WWII важно, а в остальном глупость...
Dodge Durango 5.9 с ГБО "Зеленый тепловоз"


- Николай Пименов
- Ветеран клуба АмАвто
- Сообщения: 28351
- Зарегистрирован: 20 окт 2007, 23:03
- Откуда: Самара
- alexauto2005
- член клуба АмАвто
- Сообщения: 352
- Зарегистрирован: 08 май 2010, 00:14
- Откуда: Россия,Тула
- Контактная информация:
Re: Pontiac Grand Prix не заводится
Quadra писал(а):Они все вместе работают? Идиоты мля, я думал только англичане такую тупость сделать могут, ан нет, GM - то тоже разве что паровозы не делал в то время... Нафига многоточечный впрыск если все льют вместе... офигеваю от такого кретинизма...
Нет они не все вместе льют.
Они по очереди брызгают.
Это немножко не та схема.
Я краем глаза смотрел книжку по Гранд Аму,там есть схемка мотора 3.1L
И все форсунки работают отдельно.
А VIN T - это что ?Если год выпуска,то у пончика буква М
На всякий случай двигатель LH031L2MF
Re: Pontiac Grand Prix не заводится
Других схем нет. Двигатели 2.3л, 3.1л, 3.4л. Источник - Mitchel OnDemand5.
C 93 года пошли схемы с последовательным включением форсунок.
C 93 года пошли схемы с последовательным включением форсунок.
Ford FIVE HUNDRED 2005
Jeep Cherokee 2006
Дмитрий
Jeep Cherokee 2006
Дмитрий
- ua1cbm
- член клуба АмАвто
- Сообщения: 352
- Зарегистрирован: 01 янв 2011, 16:49
- Откуда: Санкт-Петербург/Кировск
Re: Pontiac Grand Prix не заводится
Чек инжин загорается, когда зажигание включаете?
Ford Crown Victoria, 1997, 4.6L - Daily Driver
Ford 1994, E150 4.9L - продан ; Ford Expedition, 1997, 5.4L - продан
Тарасы все проданы(G1 2.5L MT5 1987,G1 3.0L 1988, G2 3.0L 1992, G2 1995 3.8L StationWagon)
Ford 1994, E150 4.9L - продан ; Ford Expedition, 1997, 5.4L - продан
Тарасы все проданы(G1 2.5L MT5 1987,G1 3.0L 1988, G2 3.0L 1992, G2 1995 3.8L StationWagon)



