Разговоры технического плана. Ремонт, характеристики, запчасти и т.д.
-
Scorp
- Уважаемый член клуба
- Сообщения: 616
- Зарегистрирован: 23 янв 2006, 22:29
- Откуда: Московская обл. Жуковский
Сообщение
Scorp » 15 фев 2010, 21:03
Последний раз редактировалось
Scorp 15 фев 2010, 21:15, всего редактировалось 1 раз.
Будущее принадлежит тому, кто верит в красоту своей мечты!
Pontiac Firebird 3.1
Jeep Commander 4,7 (Зимний вариант)
-
Николай Пименов
- Ветеран клуба АмАвто
- Сообщения: 28351
- Зарегистрирован: 20 окт 2007, 23:03
- Откуда: Самара
-
Scorp
- Уважаемый член клуба
- Сообщения: 616
- Зарегистрирован: 23 янв 2006, 22:29
- Откуда: Московская обл. Жуковский
Сообщение
Scorp » 15 фев 2010, 21:18
Спасибо, понял.
Поиском пользоваться умею, только не знаю что конкретно должно в ней быть....
Скачал, ща попробую.
Еще раз спасибо, что подсказал,а то я уже два года так мучаюсь

Будущее принадлежит тому, кто верит в красоту своей мечты!
Pontiac Firebird 3.1
Jeep Commander 4,7 (Зимний вариант)
-
Пскопской
- член клуба АмАвто
- Сообщения: 476
- Зарегистрирован: 17 окт 2008, 15:14
- Откуда: г.Псков
Сообщение
Пскопской » 16 фев 2010, 19:13
Такая вводная для понимающих в электрике... Сейчас езжу так: при постановке на парковку машины выдёргиваю предохранитель №15, чтобы не сосало с акума, а перед поездкой вставляю его на место. Так вот после установки предохранителя и включения зажигания стеклоочиститель срабатывает и делает один ход. Если сначала завожу авто, а потом ставлю предохранитель - этого не происходит. Может ли это что то значить касательно моей неисправности?
Вольный бедуин...
Мне стыдно вписывать сюда свою машину.
-
Николай Пименов
- Ветеран клуба АмАвто
- Сообщения: 28351
- Зарегистрирован: 20 окт 2007, 23:03
- Откуда: Самара
Сообщение
Николай Пименов » 16 фев 2010, 19:20
Это сложно сказать, потому что неизвестно как происходит на исправной машине. Т.е. может быть так и задумано.
-
Scorp
- Уважаемый член клуба
- Сообщения: 616
- Зарегистрирован: 23 янв 2006, 22:29
- Откуда: Московская обл. Жуковский
Сообщение
Scorp » 16 фев 2010, 20:41
Со срабатыванием дворников встречался на ранних моделях Порше при чиповании ключа. Срабатывание дворников свидетельствовало о правильном ходе операции.
На твоей машине есть датчик дождя? Может при вставке предохранителя это свидетельствует о тесте этой функции?
Будущее принадлежит тому, кто верит в красоту своей мечты!
Pontiac Firebird 3.1
Jeep Commander 4,7 (Зимний вариант)
-
Николай Пименов
- Ветеран клуба АмАвто
- Сообщения: 28351
- Зарегистрирован: 20 окт 2007, 23:03
- Откуда: Самара
Сообщение
Николай Пименов » 17 фев 2010, 08:41
15 пред подает питание на блок всяческой автоматики, которая управляет релюшкой (которая "утекает") и похоже дворниками тоже. При подаче на неё питания, когда всё остальное включено уже, может происходить что угодно, в зависимости от фантазии разработчиков узла. Так что - дворники к конкретной диагностике будут относится только если на аналогичном авто без утечки при выемке и вствке данного предохранителя НЕ срабатывают также дворники. Ещё подробнее написать?

-
Пскопской
- член клуба АмАвто
- Сообщения: 476
- Зарегистрирован: 17 окт 2008, 15:14
- Откуда: г.Псков
Сообщение
Пскопской » 18 фев 2010, 16:06
Подробней некуда...
Просто я пытаюсь ухватиться за любую ниточку в поиске утечки...

Вольный бедуин...
Мне стыдно вписывать сюда свою машину.
-
Николай Пименов
- Ветеран клуба АмАвто
- Сообщения: 28351
- Зарегистрирован: 20 окт 2007, 23:03
- Откуда: Самара
Сообщение
Николай Пименов » 18 фев 2010, 16:49
Дык это Scorp'у писалось...
Схемы включения блока автоматики есть? Могу показать, какие проводки отключать для проверок...
-
Пскопской
- член клуба АмАвто
- Сообщения: 476
- Зарегистрирован: 17 окт 2008, 15:14
- Откуда: г.Псков
Сообщение
Пскопской » 18 фев 2010, 17:55
Всё, что есть из схем - на предидущей странице, спасибо Скорпу.
Вольный бедуин...
Мне стыдно вписывать сюда свою машину.
-
Николай Пименов
- Ветеран клуба АмАвто
- Сообщения: 28351
- Зарегистрирован: 20 окт 2007, 23:03
- Откуда: Самара
Сообщение
Николай Пименов » 18 фев 2010, 18:00
А что, больше не давали? Вроде ж собирались ещё "когда заправится картридж" (для чего я тут же предложил альтернативу. которая похоже работает).
-
Николай Пименов
- Ветеран клуба АмАвто
- Сообщения: 28351
- Зарегистрирован: 20 окт 2007, 23:03
- Откуда: Самара
Сообщение
Николай Пименов » 18 фев 2010, 18:19
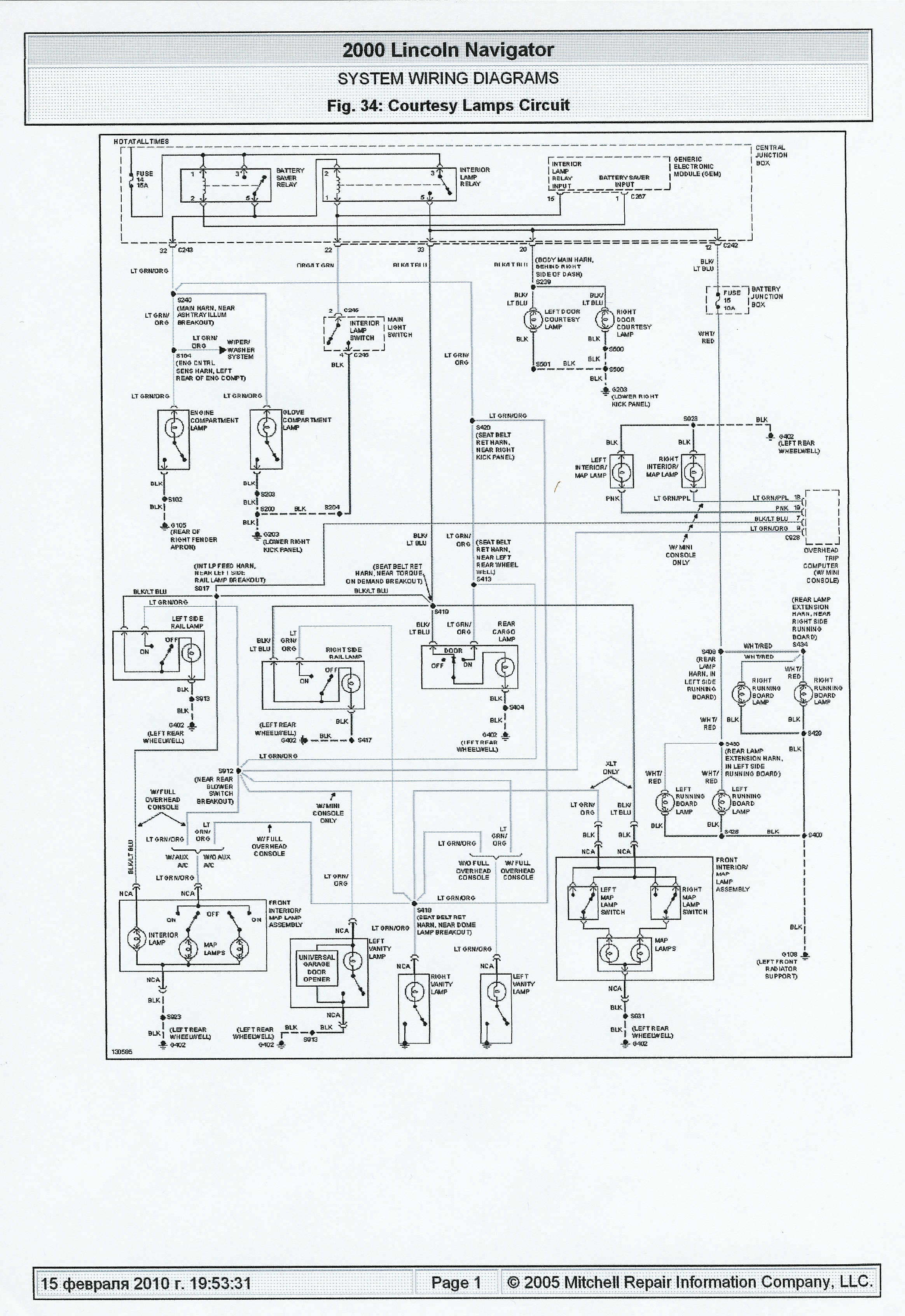
Пробуем отключать по одному провода (винимаем контакты из разъема и изолируем): 6,8,9,18. При отключении какого-то одного из этих по идее, должно не включиться реле "сбережения батареи" (не забываем, что оно может включаться не сразу после выключения зажигания, а с задержкой например минут 40). Это "для начала".
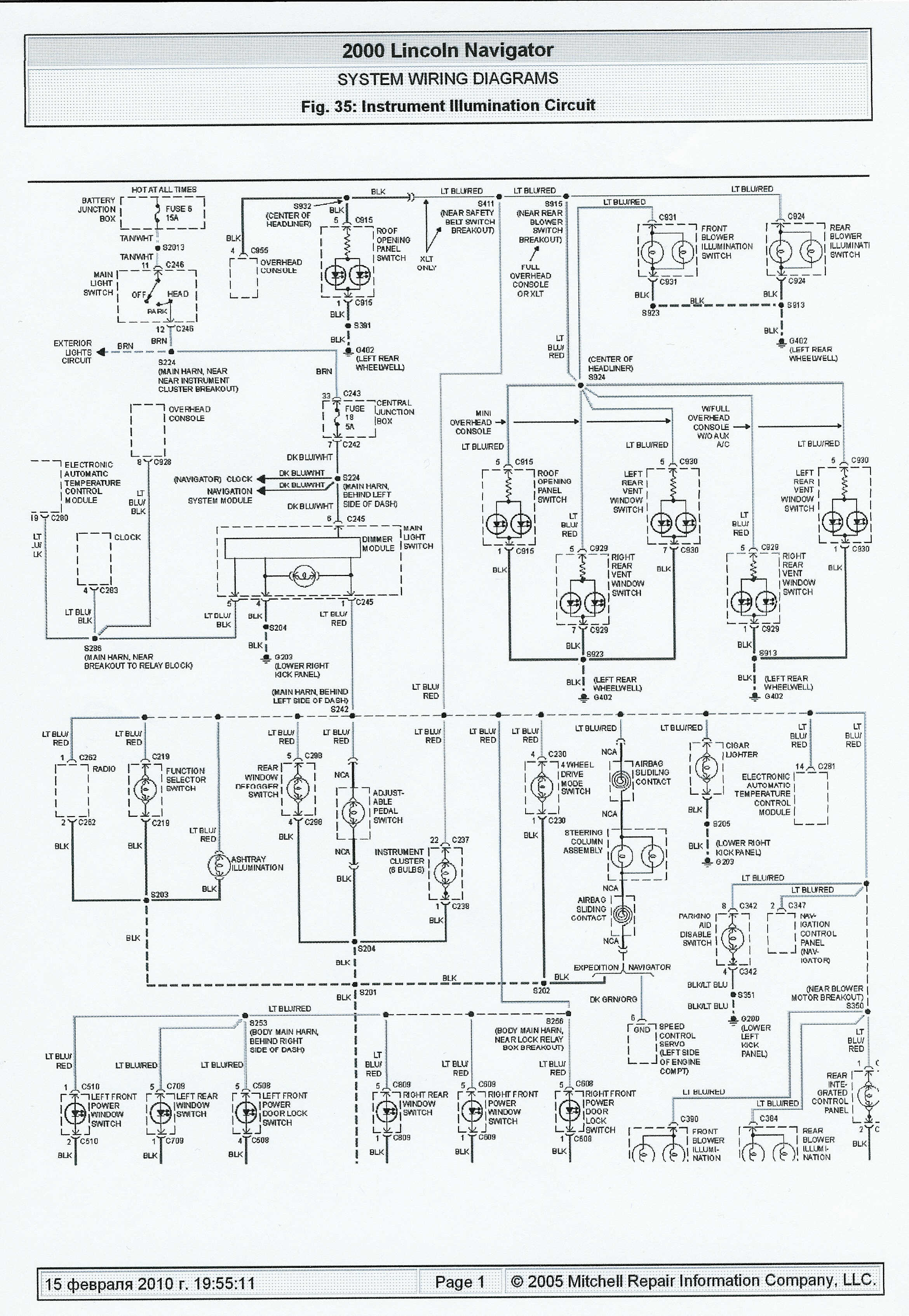
Речь идет о контактах блока GEM (это который слева внизу на картинке с 5 предохранителями наверху, стр 1 из 2 электроники салона), у него вроде 18 контактов, 10 свободный.
-
Пскопской
- член клуба АмАвто
- Сообщения: 476
- Зарегистрирован: 17 окт 2008, 15:14
- Откуда: г.Псков
Сообщение
Пскопской » 18 фев 2010, 18:32
Совсем туплю...

Мозг кипит от мыслей об утечке... Есть ещё присланные на мыло, сейчас попробую выложить.
-
Вложения
-

-

-

Вольный бедуин...
Мне стыдно вписывать сюда свою машину.
-
Пскопской
- член клуба АмАвто
- Сообщения: 476
- Зарегистрирован: 17 окт 2008, 15:14
- Откуда: г.Псков
Сообщение
Пскопской » 18 фев 2010, 18:39
и последнее, что у меня есть.
-
Вложения
-

Вольный бедуин...
Мне стыдно вписывать сюда свою машину.