Что я вчера помял?
Модератор: Николай Пименов
- ereminds
- Ценитель
- Сообщения: 133
- Зарегистрирован: 27 май 2008, 00:01
- Откуда: Москва
- Контактная информация:
Что я вчера помял?
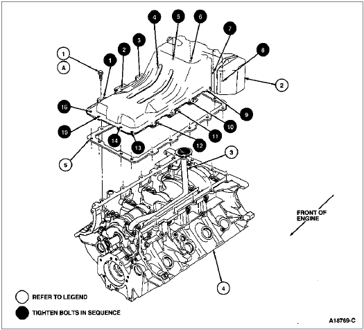
Железная коробочка небольшого размера, расположена справа от поддона двигателя в задней его части, ее огибают трубки ожлаждения коробки, сзади стартера, прикручена к двигателю, а не к кузову. Не могу найти в каталогах.
Ford Taurus G3 LX 96г. 3.0L Duratec Sedan
Ford Taurus G3 LX 96г. 3.0L Vulcan Sedan
Ford Taurus G3 GL 96г. 3.0L Vulcan Wagon
Ford Explorer 2 95г. 4.0L Eddy Bauer
Lincoln Mark 8 93г. Белый
Ford Taurus G3 LX 96г. 3.0L Vulcan Sedan
Ford Taurus G3 GL 96г. 3.0L Vulcan Wagon
Ford Explorer 2 95г. 4.0L Eddy Bauer
Lincoln Mark 8 93г. Белый
Re: Что я вчера помял?
Это вот эта шишка на поддоне?
Lincoln Mark VIII '96 black
GMC Envoy SLT '02 black
Volvo XC90 V8 '08 blue
GMC Envoy SLT '02 black
Volvo XC90 V8 '08 blue
Re: Что я вчера помял?
тож про неё подумал
- ereminds
- Ценитель
- Сообщения: 133
- Зарегистрирован: 27 май 2008, 00:01
- Откуда: Москва
- Контактная информация:
Re: Что я вчера помял?
Она, срасибо, и зачем она нужна.
Ford Taurus G3 LX 96г. 3.0L Duratec Sedan
Ford Taurus G3 LX 96г. 3.0L Vulcan Sedan
Ford Taurus G3 GL 96г. 3.0L Vulcan Wagon
Ford Explorer 2 95г. 4.0L Eddy Bauer
Lincoln Mark 8 93г. Белый
Ford Taurus G3 LX 96г. 3.0L Vulcan Sedan
Ford Taurus G3 GL 96г. 3.0L Vulcan Wagon
Ford Explorer 2 95г. 4.0L Eddy Bauer
Lincoln Mark 8 93г. Белый
Re: Что я вчера помял?
это вопрос к николаю))
Lincoln Mark VIII '96 black
GMC Envoy SLT '02 black
Volvo XC90 V8 '08 blue
GMC Envoy SLT '02 black
Volvo XC90 V8 '08 blue
Re: Что я вчера помял?
это дополнительная ёмкость для масла, зачем такой контруктив хзereminds писал(а):Она, срасибо, и зачем она нужна.
Если хочешь могу сфотать свой новый поддон изнутри.
- Николай Пименов
- Ветеран клуба АмАвто
- Сообщения: 28351
- Зарегистрирован: 20 окт 2007, 23:03
- Откуда: Самара
Re: Что я вчера помял?
Это дополнительная емкость для масла, предотвращающая масляное голодание при резких ускорениях/торможениях/поворотах. Работает за счет того, что когда действуют указанные силы, "лужа" может сильно смещаться, тогда подпитку в самой глубокой части даст масло из этой приблуды (уровень масла в кторой меньше подвержен глобальному смещению при ускорениях).
Re: Что я вчера помял?
если вмятина не сильная и масло не течёт то наверно можно забить иначе заказывать из штатов бу (новых уже нет) и купить сдесь
- Николай Пименов
- Ветеран клуба АмАвто
- Сообщения: 28351
- Зарегистрирован: 20 окт 2007, 23:03
- Откуда: Самара
Re: Что я вчера помял?
Лучше скажи, на что ты такое наехал, что он помялся? Это не переднепривдное современноевропейское авто, провет о-го-го, да и картер начинается заметно выше этой величины...
- ereminds
- Ценитель
- Сообщения: 133
- Зарегистрирован: 27 май 2008, 00:01
- Откуда: Москва
- Контактная информация:
Re: Что я вчера помял?
Да, блин, менял я датчик АБС. Когда домкрачу авто, имею привычку колесо подсовывать под него на всякий случай. На колесо еще навалил инструмент. Ушел обедать, а когда пришел, оказалось что домкрат сдулся (он стар, а может клапан до конца не закрыл). Вообщем машина легла на эту кучу и образовалась маленькая вмятинка, глубиной 3-4 мм. Просто стало интересно зачем этот прибамбас.
Ford Taurus G3 LX 96г. 3.0L Duratec Sedan
Ford Taurus G3 LX 96г. 3.0L Vulcan Sedan
Ford Taurus G3 GL 96г. 3.0L Vulcan Wagon
Ford Explorer 2 95г. 4.0L Eddy Bauer
Lincoln Mark 8 93г. Белый
Ford Taurus G3 LX 96г. 3.0L Vulcan Sedan
Ford Taurus G3 GL 96г. 3.0L Vulcan Wagon
Ford Explorer 2 95г. 4.0L Eddy Bauer
Lincoln Mark 8 93г. Белый
- Николай Пименов
- Ветеран клуба АмАвто
- Сообщения: 28351
- Зарегистрирован: 20 окт 2007, 23:03
- Откуда: Самара
Re: Что я вчера помял?
На такую вмятинку - пофиг, если металл не надтреснул и не будет сочиться масло (или ржаветь от отлупившейся краски.
На будущее: колесо подсовывается под лонжерон, чтобы он лег на резину. Или как вариант - опоры, а не колесо, так же под лонжерон (стОят копейки, но удобны и надежны как скала!)
На будущее: колесо подсовывается под лонжерон, чтобы он лег на резину. Или как вариант - опоры, а не колесо, так же под лонжерон (стОят копейки, но удобны и надежны как скала!)
- ereminds
- Ценитель
- Сообщения: 133
- Зарегистрирован: 27 май 2008, 00:01
- Откуда: Москва
- Контактная информация:
Re: Что я вчера помял?
Все это понятно, и подставки есть, просто так сложилось.
Ford Taurus G3 LX 96г. 3.0L Duratec Sedan
Ford Taurus G3 LX 96г. 3.0L Vulcan Sedan
Ford Taurus G3 GL 96г. 3.0L Vulcan Wagon
Ford Explorer 2 95г. 4.0L Eddy Bauer
Lincoln Mark 8 93г. Белый
Ford Taurus G3 LX 96г. 3.0L Vulcan Sedan
Ford Taurus G3 GL 96г. 3.0L Vulcan Wagon
Ford Explorer 2 95г. 4.0L Eddy Bauer
Lincoln Mark 8 93г. Белый
- Николай Пименов
- Ветеран клуба АмАвто
- Сообщения: 28351
- Зарегистрирован: 20 окт 2007, 23:03
- Откуда: Самара
- ereminds
- Ценитель
- Сообщения: 133
- Зарегистрирован: 27 май 2008, 00:01
- Откуда: Москва
- Контактная информация:
Re: Что я вчера помял?
Так. АБС - заработала. ЕГР - заработала. По мотору осталась последняя проблема 412-я.
Ходил, ходил вокруг клапана холостого хода я сегодня, даже ключ просунуть не удается.
Как эта зараза снимается, что еще кроме дворников и воздуховода еще открутить надо? Как туда залезть.
Ходил, ходил вокруг клапана холостого хода я сегодня, даже ключ просунуть не удается.
Как эта зараза снимается, что еще кроме дворников и воздуховода еще открутить надо? Как туда залезть.
Ford Taurus G3 LX 96г. 3.0L Duratec Sedan
Ford Taurus G3 LX 96г. 3.0L Vulcan Sedan
Ford Taurus G3 GL 96г. 3.0L Vulcan Wagon
Ford Explorer 2 95г. 4.0L Eddy Bauer
Lincoln Mark 8 93г. Белый
Ford Taurus G3 LX 96г. 3.0L Vulcan Sedan
Ford Taurus G3 GL 96г. 3.0L Vulcan Wagon
Ford Explorer 2 95г. 4.0L Eddy Bauer
Lincoln Mark 8 93г. Белый
- Николай Пименов
- Ветеран клуба АмАвто
- Сообщения: 28351
- Зарегистрирован: 20 окт 2007, 23:03
- Откуда: Самара


