Поворотники шалят...

Разговоры технического плана. Ремонт, характеристики, запчасти и т.д.
Аватара пользователя
Пскопской
член клуба АмАвто
Сообщения: 476
Зарегистрирован: 17 окт 2008, 15:14
Откуда: г.Псков

Поворотники шалят...

Сообщение Пскопской » 29 янв 2010, 18:20

При включении мигают один-два раза и всё... реле соответствующее количество раз щёлкает и перестаёт...
Накрылось реле? :oops:
з.ы. Аварийка работает исправно.
Последний раз редактировалось Пскопской 29 янв 2010, 19:21, всего редактировалось 1 раз.
Вольный бедуин...
Мне стыдно вписывать сюда свою машину.
Аватара пользователя
Николай Пименов
Ветеран клуба АмАвто
Сообщения: 28351
Зарегистрирован: 20 окт 2007, 23:03
Откуда: Самара

Сообщение Николай Пименов » 29 янв 2010, 18:31

Ога.
Изображение
Изображение
Аватара пользователя
Пскопской
член клуба АмАвто
Сообщения: 476
Зарегистрирован: 17 окт 2008, 15:14
Откуда: г.Псков

Сообщение Пскопской » 29 янв 2010, 18:37

Коль, может ещё подскажешь, где его найти в машине... :oops:
Вольный бедуин...
Мне стыдно вписывать сюда свою машину.
Аватара пользователя
Николай Пименов
Ветеран клуба АмАвто
Сообщения: 28351
Зарегистрирован: 20 окт 2007, 23:03
Откуда: Самара

Сообщение Николай Пименов » 29 янв 2010, 20:07

Извините, не мой концерн :)
Изображение
Изображение
Аватара пользователя
Пскопской
член клуба АмАвто
Сообщения: 476
Зарегистрирован: 17 окт 2008, 15:14
Откуда: г.Псков

Сообщение Пскопской » 29 янв 2010, 21:52

Народ, у кого есть мануал по Дишн/Гаторам, просветите по месторасположению реле поворотников плиззз... :(
Вольный бедуин...
Мне стыдно вписывать сюда свою машину.
Аватара пользователя
Николай Пименов
Ветеран клуба АмАвто
Сообщения: 28351
Зарегистрирован: 20 окт 2007, 23:03
Откуда: Самара

Сообщение Николай Пименов » 29 янв 2010, 23:04

А, блин, мне Эскалада привиделась в подписи!
Счас посмотрим. чё там как...
Изображение
Изображение
Аватара пользователя
Scorp
Уважаемый член клуба
Сообщения: 616
Зарегистрирован: 23 янв 2006, 22:29
Откуда: Московская обл. Жуковский

Сообщение Scorp » 29 янв 2010, 23:17

Потерпи до утра, все нашел, завтра распечатаю....
Будущее принадлежит тому, кто верит в красоту своей мечты!

Pontiac Firebird 3.1
Jeep Commander 4,7 (Зимний вариант)
Аватара пользователя
игрок
Ветеран клуба АмАвто
Сообщения: 23199
Зарегистрирован: 13 янв 2007, 01:54
Откуда: Спб

Сообщение игрок » 30 янв 2010, 01:38

миш, а если хошь срочно, то зайди на форд-тракс и пошукай там поиском. есть там и мануалы, и эл схемы, да и поднимался этот вопрос в обсуждении.
Cadillac Escalade 6.2 '11
Dodge RamVan 2500 5.9 '97
Chevrolet Avalanche 5.3 '04 -=Sold=-
Dodge Durango 4.7 '00 -=Sold=-
Ford Eхplorer 4.0 '97 -=Sold=-

I live in Russia.
I wear fufaika, valenki and shapka–ushanka.
I drink vodka right from the samovar, and my bear plays on the balalaika.
Аватара пользователя
Scorp
Уважаемый член клуба
Сообщения: 616
Зарегистрирован: 23 янв 2006, 22:29
Откуда: Московская обл. Жуковский

Сообщение Scorp » 30 янв 2010, 10:41

Вот, держи....
Вложения
До кучи, на вырост...
До кучи, на вырост...
План наступления
План наступления
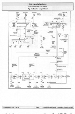
Схемка
Схемка
Будущее принадлежит тому, кто верит в красоту своей мечты!

Pontiac Firebird 3.1
Jeep Commander 4,7 (Зимний вариант)
Аватара пользователя
Пскопской
член клуба АмАвто
Сообщения: 476
Зарегистрирован: 17 окт 2008, 15:14
Откуда: г.Псков

Сообщение Пскопской » 30 янв 2010, 10:46

На Форд Тракс региться нужно, да и чёта напугали меня, дескать народ там злой и неприветливый...
Вроде пацаны тут уже обещают посмотреть.
Вольный бедуин...
Мне стыдно вписывать сюда свою машину.
Аватара пользователя
Пскопской
член клуба АмАвто
Сообщения: 476
Зарегистрирован: 17 окт 2008, 15:14
Откуда: г.Псков

Сообщение Пскопской » 30 янв 2010, 10:54

Скорп, спасибо! :!: За "До кучи, на вырост..." тоже спасибо, но лучше не каркать...:)
Исходя из схемы проводки реле поворотов не в блоке у меня стоит, а отдельно гдето под рулём... :oops: Будем искать.
Вольный бедуин...
Мне стыдно вписывать сюда свою машину.
Аватара пользователя
Scorp
Уважаемый член клуба
Сообщения: 616
Зарегистрирован: 23 янв 2006, 22:29
Откуда: Московская обл. Жуковский

Сообщение Scorp » 30 янв 2010, 11:42

Михаил Пскопской писал(а):Скорп, спасибо! :!: За "До кучи, на вырост..." тоже спасибо, но лучше не каркать...:)
Исходя из схемы проводки реле поворотов не в блоке у меня стоит, а отдельно гдето под рулём... :oops: Будем искать.
Про "на вырост", это я в шутку, и про повышение технического уровня. :oops: Да и ты на давление масла жаловался.... :wink:

P.S. Миш, а ты с какаго года а то у нас Д.Р. в один день оказывается :oops:
Будущее принадлежит тому, кто верит в красоту своей мечты!

Pontiac Firebird 3.1
Jeep Commander 4,7 (Зимний вариант)
Аватара пользователя
Пскопской
член клуба АмАвто
Сообщения: 476
Зарегистрирован: 17 окт 2008, 15:14
Откуда: г.Псков

Сообщение Пскопской » 30 янв 2010, 12:35

С давлением всё нормализовалось, было пару раз при морозе -31...
Я с 1970г. :wink:
Вольный бедуин...
Мне стыдно вписывать сюда свою машину.
Аватара пользователя
Scorp
Уважаемый член клуба
Сообщения: 616
Зарегистрирован: 23 янв 2006, 22:29
Откуда: Московская обл. Жуковский

Сообщение Scorp » 30 янв 2010, 12:57

А я 1966 :)
Будущее принадлежит тому, кто верит в красоту своей мечты!

Pontiac Firebird 3.1
Jeep Commander 4,7 (Зимний вариант)
Аватара пользователя
Пскопской
член клуба АмАвто
Сообщения: 476
Зарегистрирован: 17 окт 2008, 15:14
Откуда: г.Псков

Сообщение Пскопской » 30 янв 2010, 13:18

О... а я думал я старый... :oops:
Вольный бедуин...
Мне стыдно вписывать сюда свою машину.
Ответить