вопрос по электрике
Модератор: Николай Пименов
вопрос по электрике
Добрый день! нет ли у кого под рукой картинки с электро схемой головного света? дальний свет "пропал" без видимых причин (раньше был, потом 2 года простоя в теплом, сухом гараже и нет его!), а ближний свет вообще вандалы сервисные обрезали вместе с проводами когда то, маргиналы проклятые! мануала тоже нет, ибо Коля пытался объяснить как его ставить на свежие операционки, но я не понял. ( раньше конечно ставил, когда машину в 20098 году купил, но это было давно)
Предохранитель я есессна проверил....
Предохранитель я есессна проверил....
- Dima
- AmAvto
- Сообщения: 49425
- Зарегистрирован: 14 янв 2005, 16:03
- Откуда: Москва
- Контактная информация:
Re: вопрос по электрике
Возможно проблема в подрулевом переключателе.
Cadillac Escalade 2010
X6 XDrive50i
Chrysler Crossfire Convertible SRT-6
Cadillac Escalade 2013
X6 XDrive50i
Chrysler Crossfire Convertible SRT-6
Cadillac Escalade 2013
Re: вопрос по электрике
вот я тоже начал грешить на него. Ибо: при нажатии на рычажок, не загорается даже лампочка синяя на панели, а она если бы сдохла, то явно не сговариваясь с фарами, а по собственному графику, и там, если корозия прогрызла провода, то тоже наверное как то не синхронно.
кроме того, не знаю, связано это или нет, но у меня стали странным образом работать дворники: без алгоритма вообще, то есть они перестали "подвыезжать", перестали махать и выключаться сами, они работают до тех пор пока их не выключишь и останавливаются соответственно в ом месте где их застигло отключение вручную.
кроме того, не знаю, связано это или нет, но у меня стали странным образом работать дворники: без алгоритма вообще, то есть они перестали "подвыезжать", перестали махать и выключаться сами, они работают до тех пор пока их не выключишь и останавливаются соответственно в ом месте где их застигло отключение вручную.
Re: вопрос по электрике
ps. а еще не работают поворотники, при том что лампочки все работают. моргают только центральные. похоже все эти неисправности сводится к переключателю?!
- Dima
- AmAvto
- Сообщения: 49425
- Зарегистрирован: 14 янв 2005, 16:03
- Откуда: Москва
- Контактная информация:
Re: вопрос по электрике
Тут остается только гадать, возможно пришла пора найти вам грамотного электрика у которого есть схемы марка, потратить N сумму денег и попробовать решить эти проблемы.
Cadillac Escalade 2010
X6 XDrive50i
Chrysler Crossfire Convertible SRT-6
Cadillac Escalade 2013
X6 XDrive50i
Chrysler Crossfire Convertible SRT-6
Cadillac Escalade 2013
Re: вопрос по электрике
в Нижнем Новгороде по моему эту задачу не решить (Насчет электрика со схемой). Я, с не горящими фарами,
приехал в нормальный сервис, где до меня обслуживали Lincoln continental 1963 cabrio, и даже они меня послали со словами:" думали-гадали- не поняли"
приехал в нормальный сервис, где до меня обслуживали Lincoln continental 1963 cabrio, и даже они меня послали со словами:" думали-гадали- не поняли"
- Dima
- AmAvto
- Сообщения: 49425
- Зарегистрирован: 14 янв 2005, 16:03
- Откуда: Москва
- Контактная информация:
Re: вопрос по электрике
Я вам скажу честно, в Москве то не так много будет желающих решать эту проблему.
Время - деньги.
Время - деньги.
Cadillac Escalade 2010
X6 XDrive50i
Chrysler Crossfire Convertible SRT-6
Cadillac Escalade 2013
X6 XDrive50i
Chrysler Crossfire Convertible SRT-6
Cadillac Escalade 2013
Re: вопрос по электрике
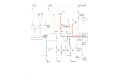
Добрый день всем! а все таки нет ли картинки с электросхемой у кого с ближним/дальным светом на наше ауто? Я так понимаю что функции задержки выключения света, датчик света запитаны на какой то ЭБУ?
- Dima
- AmAvto
- Сообщения: 49425
- Зарегистрирован: 14 янв 2005, 16:03
- Откуда: Москва
- Контактная информация:
Re: вопрос по электрике
Завтра после обеда на рабочем компе посмотрю, фото схемы выложу ( если не забуду )
Cadillac Escalade 2010
X6 XDrive50i
Chrysler Crossfire Convertible SRT-6
Cadillac Escalade 2013
X6 XDrive50i
Chrysler Crossfire Convertible SRT-6
Cadillac Escalade 2013
Re: вопрос по электрике
спасибо, буду ждать
- Dima
- AmAvto
- Сообщения: 49425
- Зарегистрирован: 14 янв 2005, 16:03
- Откуда: Москва
- Контактная информация:
Re: вопрос по электрике
Если не забуду! 
Старость не в радость
Старость не в радость
Cadillac Escalade 2010
X6 XDrive50i
Chrysler Crossfire Convertible SRT-6
Cadillac Escalade 2013
X6 XDrive50i
Chrysler Crossfire Convertible SRT-6
Cadillac Escalade 2013
- Dima
- AmAvto
- Сообщения: 49425
- Зарегистрирован: 14 янв 2005, 16:03
- Откуда: Москва
- Контактная информация:
Re: вопрос по электрике
Без DRL
С DRL
С DRL
Cadillac Escalade 2010
X6 XDrive50i
Chrysler Crossfire Convertible SRT-6
Cadillac Escalade 2013
X6 XDrive50i
Chrysler Crossfire Convertible SRT-6
Cadillac Escalade 2013
Re: вопрос по электрике
ок, спасибо, попробую разобраться, при увеличении картинки текст весь плывет.
Re: вопрос по электрике
а откуда такие красивые цветные схемы? оригинальный сервис мануал же черно-белый. Тоже хочу
Mark VIII 1993

